Schemi veicolo
K100.jpg
K100.jpg
K100RS16V_91-92_Page_1.jpg
K100RS16V_91-92_Page_1.jpg
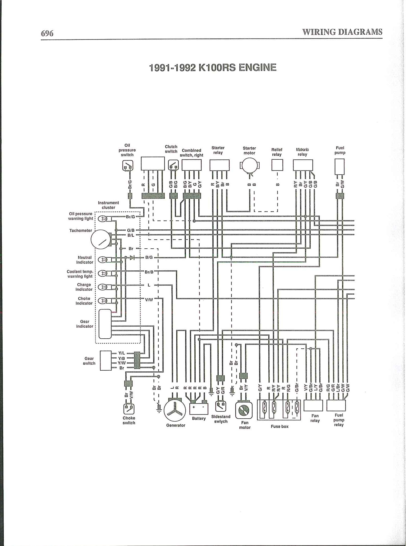
K100RS16V_91-92_Page_2.jpg
K100RS16V_91-92_Page_2.jpg
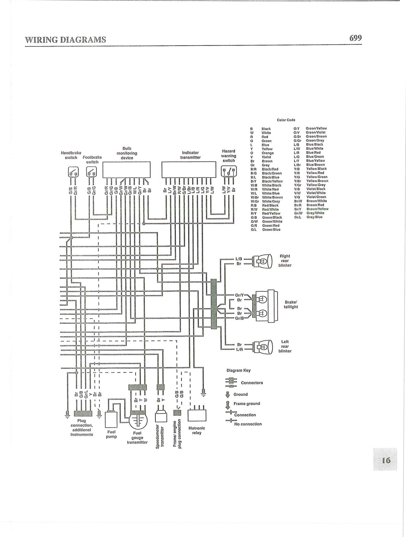
K100RS16V_91-92_Page_3.jpg
K100RS16V_91-92_Page_3.jpg
K100RS16V_91-92_Page_4.jpg
K100RS16V_91-92_Page_4.jpg
K100RS-RT_early.jpg
K100RS-RT_early.jpg
K100RS-RT_early1.jpg
K100RS-RT_early1.jpg
K100RS-RT_late.jpg
K100RS-RT_late.jpg
K100RS-RT_late1.jpg
K100RS-RT_late1.jpg
K100RS-RT_middle.jpg
K100RS-RT_middle.jpg